|
|
||||||
|
|
||||||
|
|
5年程前から計画していたクロスシャントプッシュプル(CSPP)方式による真空管パワーアンプです。
製作を始めたものの作る価値を迷いながらだらだらと平均60%程度の気力でどうにかこうにか作り上げた代物です。
従いまして私の満足度も作品評価も60点がいい所の駄作ではありますが、これはこれで良しとしたいです。
クロスシャントプッシュプル(CSPP)方式については、CSPP回路の基礎解説をご覧願います。
以前に私が製作したCSPPアンプは、半導体ドライブ+真空管出力の6CW5/EL86
20W+20W パワーアンプと、オール半導体V-FET出力の2SJ18
CSPP パワーアンプがあります。
今更ながら信号回路を全て真空管で構成してどの程度のことができるかを挑戦したい思いと、既にケースの製作が暫定的な回路を元に先行していて使用する真空管の数が決まっていたことで設計の自由度が制限されていたにも拘らず、あれこれ迷うことに時間を奪われてしまいました。
ケースを作り直すことなど厭わない程の魅力的な回路を考え出だそうという意欲が衰え、悩むことが面倒になり、ようやく踏ん切りがついたというか、しかしケース製作時の暫定回路を能天気に躊躇なく遂行していればなどと反省するつもりはないですが、しょうもない回路でホイホイとアンプを作れる人を羨ましく
は思います。
|
回路構成 |
回路構成を下のブロック図に示します。
ブロック図

初段は双3極管の差動回路で、その共通カソードに双3極管をカスコード接続した高インピーダンスの定電流回路を入れて、初段で電圧増幅と位相反転を行います。
2段目も双3極管による差動回路によって電圧増幅を行います。ここでは2段目共通カソードの電圧を初段の定電流回路に与えて、2段目共通カソード電圧が一定
になるように作用をする同相負帰還を掛けました。
同相負帰還によってPSRRが改善され歪率を下げることができました。
初段の入力信号はGND基準で出力は対+B2電源で発生しますが、2段目の入力信号は-B電源基準ですから、この段間は直流電位差が大きいため
カップリングコンデンサによって直流をカットするAC結合としました。
AC結合としたことで初段のDCアンバランスが無視できるため、初段に使える真空管の選択肢が広がりました。
2段目プレートと出力管のG1(コントロールグリッド)とを直結して、出力管のアイドリング電流を決めるバイアス電圧を2段目で制御できるようにしました。
そして2段目のグリッドバイアスに出力段の電源電圧成分を与えて、出力管のアイドリング電流が電源電圧
の変化で変動しないようにフィードフォワード的に制御します。
2段目のDCドリフトが出力段で増幅され、出力段のDCドリフトに加わるために、出力段のDCバランスの崩れが当然あることを想定の範囲に納めて、出力トランスはシングル 動作にも使えるタイプで直流電流が流れても問題無いようにコアにギャップを設けてあるものを採用しています。
出力管のG2(スクリーングリッド)には3極管のカソードフォロワによるシリーズレギュレータを介して電圧を与えています。
カソードフォロワの入力に2段目プレートからカップリングコンデンサで信号電圧を加えて出力管をG1+G2ドライブしました。
出力管のG2電圧は、G1電圧0の時に最大出力時のプレート電流が確保できる値以上であればよいのですが、必要以上に高くするのは無駄です。
G1+G2ドライブにすると、無信号時のG2電圧を最大出力時のG1電圧の振幅分だけ低く設定できます。
カソードフォロワの出力抵抗が出力管のG2電流を制限するので、出力管のG2損失のオーバーを保護します。
カソードフォロワの電源を出力段からのブートストラップで賄い、
カソードフォロワのプレート電圧とカソード電圧の差を減らしてカソードフォロワの動作を軽くしました。
出力段から2段目にブートストラップを掛けて、2段目の負荷インピーダンスを見かけ上高くしています。
このため2段目のプレート電流の振幅が小さくなって、この段のひずみの発生が減り、真空管の電圧増幅率に近い電圧ゲインが得られます。
2段目に使用する真空管のプレート内部抵抗と2段目プレート負荷抵抗でブートストラップの信号電圧が分圧されるために、
出力管には1/2に近い局部負帰還が掛かります。
出力トランスの改造したことで2次側の卷線抵抗が高くなってしまったため、オーバーオールの軽い負帰還によって出力インピーダンスを下げることにしました。
|
RW-40-5 改造 |
製作の取り掛かりは回路設計ではなく、このトランス改造でした。
ソフトンのRコア出力トランスRW-40-5は1次側が4つの同じ卷数の卷線で構成されているため、接続を変更してCSPP回路に使えるようにしました。
巻線の引出し線が根元から切れたら取返し付かないので、作業は慎重を要します。
接続の間違いでトランスとしての性能が損なわれる可能性があり、処理の不具合で火災や感電の危険がありますから、販売元のソフトンでは
当然このような改造を認めていません。
たとえ何があっても、あくまで自己責任の範囲で対処する覚悟が必要です。
黒い外皮の2次側リード線の方からハサミを入れて切開すると、1次側巻線の引出し線とリード線の接続部分が拝めます。
尚、フェニックスRAシリーズの電源トランスでは珪素鋼板のシールドが巻いてあるのでこうは簡単に行きません。

リード線を取り去る前に、復元することを視野にリード線と巻線の引出し線との関係をノートにメモしておくこと。
私はバラシが得意なので、ちゃんと綺麗に捩りをほどいて取りましたけど、ぶきっちょでハンダ付を外すのに難渋する腕前
を自覚しておられるなら、ハンダ付部分をニッパで切り取る方がリード線へのダメージが少なくて聡明な判断と申せましょう。
後学のために2次側の接続も拝見。

接続の様子から現状の巻線構造を読取ると以下のようです。
(プッシュプル使用)

巻線の巻始めが右と左で上下逆転しているのはリングコアに添って図示したからです。
取り合えず、巻線の引出し線に下図の様に番号を振りました。

引出し線番号と巻線との関係は下図の通りです。

番号1-2と7-8、3-4と5-6の巻線抵抗が等しいので、CSPPの場合は以下のようにするのが良いだろうと思います。

CSPPでは番号1-8と3-6の巻線が交流的に並列なので、1次側インピーダンスはDEPPの1/4になります。
RW-40-5のDEPPでの1次側インピーダンスは5kΩですから、このCSPP接続の1次側インピーダンスは2次側の8Ωと4Ωに対して1250Ωとなります。
最大出力50W程度を得るためには、出力トランスの1次側インピーダンスが1250Ωの場合に、プレート電源電圧が400V〜450Vは必要になり、ドライブ段 の信号電圧も対アースではそれ以上の振幅が要求されることから、適用できる真空管が見つかりません。
そこで至難の改造となりますが、2次側の現状4つの巻線の並列接続を、2つの巻線の直列接続と並列接続に変更します。
2次側巻線の直流抵抗が4倍に増えますが、1次側インピーダンスの1250Ωに対して2次側は32Ωと16Ωになるため、2次側の32Ωに8Ωを負荷、または16Ωに4Ωを負荷
して、1次側インピーダンスを313Ωとして使うことにします。
1次側インピーダンスが313Ωならば、プレート電源電圧が250V〜300Vで、最大出力50W程度が得られそうです。
トランスホーマーをトランスフォーミング
![]() |
卷線の引出し線に管理し易いように番号をつけました。 奇数の番号が卷始めで、その卷線の巻終りを、卷始めの番号に+1した番号としました。 2次側はコアに近い側から若い番号をつけました。 2次側の引出し線は左右10本づつあるので、卷線の番号を1桁目を同じに左右対称にしました。 |
引出し線に番号タグを付けたところ

| Before
|
After
|
KNF卷線は卷数が少し多いのか発生する電圧が0-4Ωよりも高くて、0-4Ωに並列接続すると短絡電流が生じたので、どこにも接続しないで開放し
ました。
引出し線番号14,15,24,25の接続点が4Ωのリード線を接続する端子となりますが、私は4Ωを必要としないのでリード線を接続してません。
切り開いた所をダクトテープで修復して改造完了。

周波数特性 (信号源インピーダンス100Ω、入力3V、2次側8Ω負荷)

元の仕様の卷数とインピーダンスの割合では1次側1250Ω:2次側32Ωなのですが、2次側に8Ωを負荷することで1次側312.5Ωとしますので卷数が元の仕様に対して2倍となり、それが特性にどう影響するか気になる所ですが、インダクタンスが増えたことで低域は10Hzでもほとんど低下しませんし、高域は元の特性と大差ないようなので周波数特性に問題
はなさそうです。
|
EL509 アンプ試作 |
改造した出力トランスを試すために、取り敢えずバラックで拵えたアンプを実験中の様子。

アンプ回路

電源回路

回路は実験段階の暫定的なものです。
EL509は100W以上の出力が可能ですが、出力トランスの能力から最大出力60WとなるようにB電圧を控えました。
EL509のG2は無信号時100V程度で、これにG1と同じ信号電圧を加えるようにしてあります。
7044のバイアスに電源電圧の変動分を与えることで、電源電圧の変動によるEL509のアイドリング電流の変化を抑えました。
7119と7DJ8の起用はヒーターウォームアップの遅さで立ち上がり時の耐圧オーバーや過大電流の発生を防ぐ目的ですが、万全を期するために遅延リレーでB電源に電流制限抵抗を入れることを検討中です。
ヒーターバイアスはヒーター・カソード間耐圧をクリアするために取った苦肉の策です。
EL509のアイドリング電流は1球当たり0.1Aに設定。
最大出力60Wは低域30Hzまで可能で、20Hzでは波形が崩れてしまいます。
高域-3dBは150kHz位、
出力インピーダンスは1Ω弱、
残留ノイズは0.1mV以下、
歪率は1W 1kHzで0.04%位ありますが2次歪成分が主なので、ACバランス調整で減らすことは可能と思われます。
|
ケースの製作 |
暫定回路を元にケースの製作を始めました。
回路に満足していたわけではないですが、あれこれ悩んでいたら結局これもお流れになる危機感が強かったので、後戻りできないようにケースの方から先に取り掛かりました。
オールRコアトランスの配置
Rコアトランスの配置に関するノウハウは「EL34 PP超3極管接続パワーアンプの製作」の時に検討済みで、このアンプでもそれを踏襲しています。
Rコアトランスは漏れ磁束の少ないことが特徴ですが、だからといって横並べに配置したら磁気結合することは請け合いで、そんな馬鹿なことはできません。
理想的な配置は?と考えて究極の、
全てのトランスの中心軸を一直線上に揃える、惑星直列ならぬトランス直列フォーメーションを編み出しました。

上図のようにRコアの 電源トランスと出力トランスを直行直列配置すると磁気結合し難くい上に、出力トランスの対の卷線に電源トランスの漏れ磁束による誘導電圧が発生したとしても、互いに逆向き なために打消されます。

メンテナンスのためにケースの上部が中央からパックリ割れてダイナミックに左右に開く構造です。

真空管の発生する熱の対策は上下2層構造のみならず、エアロダイナミクス的に空気の流路とかも検討してあります。
パイロットランプの光が私には目障りなので、パイロットランプを排除するという傲慢なことを、自作ゆえの贅沢でやらさせてもらっています。
材料は2mm厚アルミ板です。
この製作のためにホーザン板金折り曲げ機(K-130)を購入しましたが
2mm厚にはまったく歯が立たたず、やむなく谷折側に板厚の半分位まで電動丸鋸でスリワリを入れて曲げ易くしました。
|
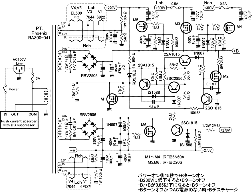
最終的な回路 |
正帰還の併用とか、電圧増幅段をカスコード接続にしてゲインを高めて増幅段数を減らすとか、思い付く回路は検討しましたが、結局は初めの実験回路と変わらないものになりました。



MOS-FETのM1は+B電源のスイッチで、電源オンからヒーターが温まるまでを見計らって約15秒後にオンする。
-B電源の電圧が低いとバイアス電圧掛からず過大電流となる危険があるため、-B電源と+B電源の電圧の比が小さいとM1をオフする。
M2は電源オフ時に+B電源コンデンサを放電するスイッチ、M3〜M6はリップルフィルタ。
電源トランスの1次側には突入電流防止機能付きDC成分サプレッサを入れてあります。
|
使用部品 |
真空管
![]() |
![]() |
![]() |
![]() |
|
6922/E88CC |
7044 GE |
EL519 Ei Quad pair |
6FQ7 RAM |
出力管はユーゴスラビアのEi(Elektronska
industrija Niš)EL519です。
インターネットで4ペア2組を送料込総額£129.28クレジットカード払いでイギリスから取り寄せました。
その中からIpが安定しないとか、目視で電極の危なっかしいものを避けて、選りすぐりの4本を用いました。
7044はリーズナブルな価格を保つように、このまま人目に付かないで居て欲しいので、代わりに5687や7119/E182CCをどうぞ。
6922/E88CCは6DJ8/ECC88の高信頼管で、しかもMCヘッドアンプ用に選別されたゴールドエアロのプラチナグレード を奢りましたが、6DJ8で一向に構いません。
6FQ7もRAM管という、普通の真空管の中からノイズやユニットバランスを選別したというものを使いましたが、並みの6FQ7または6CG7で全然構いません。
特別な部品の採用で再現性のハードルを高くしている理由は、誰にも真似できない唯一のアンプが自分の手中にあるという、ささやかな 自己満足に酔いたいがため、でも誰もこんなアンプが欲しいとは思わないことが判っているだけに虚しいのですが。
その他の部品
カップリングコンデンサに形状が小さくて良さそうなSolen のMKP-FC 630V
0.1μFでしたが、偶々だろうけどフリッカーノイズが発生して高電圧回路には駄目でした。 |
代わりに使用したニッセイの630V
0.22μFポリエステル・コンデンサ。 |
2段目プレート負荷抵抗に使用した47kΩ 10Wサーメット抵抗。
BI Technologies アルミ板に貼り付け放熱して使いました。 |
|
製作 |

部品配置の工夫で配線を短縮した。

半導体回路はケース内の隙間に詰め込んだ。
2005年5月8日ようやく完成。



マア何という事もないでしょう匠の技なら、足の高さまで計算に入れるくらいは。
10時間以上のエージングによって、プレート電流の変動が減り安定してきました。
真空管の組み合わせ(EL519と7044)で歪率が変化することが解りましたが、選別するのが面倒になって歪率が特に少ないという状態までには仕上がっていません。


|
不完全主義 |
完全でもない人間が完全なアンプと対峙しては緊張して構えて疲れてしまうから、完全なアンプに人間は癒されない。
でも完全なアンプなど存在し得ないから、無駄な心配だとは思うけど。
不満があれば改善するテーマに恵まれて、新しいアンプの製作へと希望が湧いてくる。
完全なアンプを作ったら次が始まらないが、完全なアンプなど作れる筈もないから、永遠に次へ続くしか。
|
|