| Evolve power amplifiers |
|
||||||
| 回路の基礎解説シリーズ カレントミラー CSPP PSDC | |||||||
| CSPP (クロスシャント・プッシュプル回路) |
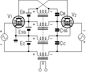
CSPP (Crossing shunt push-pull circuit) クロスシャント・プッシュプル回路は、図1のように2本並べた真空管の片方を上下ひっくり返 にして、プレートにカソード、カソードにプレートを接続し、互いのグリッド側に逆位相の信号を入力することでプッシュプル動作が行われ、プレート・カソード間に出力の得られる回路方式です。
[図1]CSPP基本回路

B電源の位置は、図2のようにプレート側でも、図3のようにカソード側でも構いません。
| [図2]B電源プレート側
|
[図3]B電源カソード側
|
B電源を一方はカソード側で、一方をプレート側に配置すると、図4のようにSEPP回路となりますから、SEPP回路はCSPP回路の電源配置のバリエーションの1つに過ぎないと言えます。 従ってSEPP回路の主な特長や設計手法はCSPP回路と共有のものです。
[図4]SEPP回路

CSPP回路では多極管を用いる場合に図5のように接続することで、スクリーングリッド電源をプレート電源と共用できます。
[図5]多極管のCSPP

CSPP回路そのものにとってはアースの位置は何処でも構わないので、アースを何処にするかは入力側や出力側の都合に合わせて選択します。
アースの位置によってアースされないフローティング電源が出ます。
例えば図6や図7のように出力の一端をアースする場合は、図6ではE1B、E2Cが、図7ではE2B、E2Cが、出力電圧をコモンとしたフローティング電源にする必要があります。
| [図6]カソードアース
|
[図7]プレートアース
|
図8は出力の中点を抵抗分割でアースする例で、全てがフローティング電源ですが、図9のようにアース基準で入力を与えると、両方の出力管に対称に50%の負帰還を掛けることができます。
| [図8]出力中点アース
|
[図9]50%負帰還
|
CSPPドライブ段が図10のような場合は、の負荷抵抗Rp1,Rp2は高抵抗にできないので、V1,V2にgmの高い真空管を用いる必要がありますが、図11のように出力段のB電源を利用すると高負荷抵抗が使えるのでドライブのゲインを高くできます。
| [図10]ドライブ段が低負荷抵抗
|
[図11]ドライブ段が高負荷抵抗
|
図12はB電源を1個にするため、トランスのセンタータップからコンデンサC1,C2に給電することで、C1,C2を擬似的なフローティング電源とした回路です。この回路でプレート側コイルとカソード側コイルが磁気結合している必要はなく、独立したセンタータップ付チョークコイルを用いることも可能です。
逆に磁気結合の高いトランスを用いることで、C1,C2を不要とした方式が図13のマッキントッシュ回路で、マッキントッシュ回路もCSPPの一つの形態と見なせます。
| [図12]出力トランスCT給電
|
[図13]マッキントッシュ回路
|
図14は図12のC1,C2をそれぞれ電源E1B,E2Bにしたセンタータップ付トランスを必要としない回路です。図15のように図14のフローティング電源E2BをコンデンサCに置換えたものが並列型SEPP回路で、これはCSPPの変遷から見ると最も合理的に洗練された回路です。
| [図14]2電源・出力トランス付
|
[図15]並列型SEPP回路
|
図14の2電源・出力トランス付はE1BとE2Bに電圧差があると、短絡電流が出力トランスの1次コイルに流れて電源ノイズが発生します。
また、出力トランスのプレート側とカソード側の1次コイルの卷数が同じでないと、発生する信号電圧の差による短絡電流で出力がロスします。
従って、1次コイルはプレート側かカソード側のどちらか1つにした方がよく、図16にプレート側だけにした回路を示します。
[図16]2電源・出力トランス付(改)

図15の並列型SEPP回路では、出力トランスの直流磁化を無くすためにプレート側とカソード側の1次コイルが同じコアに巻かれている必要がありますが、卷数が同じでないと発生する信号電圧の差による短絡電流で出力がロスしますから、できれば磁気結合が交流的には結合せず直流的にだけ結合している出力トランスが望ましいです。
つまり、CSPPではプッシュプルの出力管が電源あるいはコンデンサを介して互いが接続された状態にあるため、出力トランスの1次コイル間の結合は不要であり、出力トランスの卷線にアンバランスがある場合には返って結合していない方がましであるとまで云えます。
しかし図13のマッキントッシュ回路のように出力トランスの結合を効果的に利用した回路もあるので、CSPPとは面白い回路です。
図17は出力トランスを直流と交流を分離する役目と捕らえて、スクリーングリッド電源やコントロールグリッドバイアスなどの電圧の異なる複数の直流電源をV2側に供給する回路です。
[図17]多層電源による並列型SEPP回路

| CSPPのDEPPに対する優位性 |
| [図18]DEPP回路
|
[図19]CSPP回路
|
図18に示すような普通のプッシュプルトランスで構成されるのDEPP回路では、出力トランスの1次コイルはセンタータップを挟んで2つ必要ですが、CSPP回路では図19のように1つでよいため、出力トランスを使わずに直接スピーカを接続するOTL(Output transformer less)アンプが可能です。
出力管の動作条件が同じならCSPPはDEPPに対し出力トランスの1次側インピーダンスが1/4なので、ストレー容量の影響が少なく高域の周波数特性に優れます。
出力管のB級動作によるカットオフで出力トランス1次コイルが開放状態になると、1次コイルの漏洩インダクタンスに蓄えられたエネルギーで生じる電圧(スイッチング・トランジェント)により出力信号が歪みますが、プッシュプルの結合度を高めることで能動状態にある出力管にスイッチング・トランジェントを吸収することができます。
DEPPの場合は両プレート間でプッシュプル信号が静電結合すると高域出力をロスしてしまうので、出力トランスは2つのコイルを静電結合させずに磁気結合だけで結合度を高める工夫が必要です。
対してCSPPは1つの1次コイルにプッシュプルの出力管が並列接続されているために、プッシュプル結合度が100%で1次コイルが開放することはなく、出力トランスでプッシュプル信号を合成する必要もないので、DEPPよりも高性能な出力トランスが造り易いです。
DEPPのB級動作には専用の出力トランスを要するが、CSPPはB級動作でも特別な出力トランスは要りません。
DEPPのB級動作では出力管の片方がカットオフするために、1次コイルの半分は開放状態で遊んでしまう無駄があります。
1次コイルがセンタータップでつながれず、2つ独立しているスプリット構造のDEPP用出力トランスを、2つの1次コイルを並列接続してDEPPと同じ動作条件のCSPPに転用した場合には、1次コイルの直流抵抗がDEPPの半分になるので、プレート電源電圧の降下が減りDEPPよりも大きな出力が得られます。
CSPP専用にDEPPと同じ大きさの出力トランスを作るとして、1次コイルの直流抵抗がDEPPの場合と同じで、DEPPの場合と同じ分量の銅線を巻くなら、卷数をより多くできるため低域の出力限界が向上します。
| 形式の分類 | DEPP(ダブルエンデッド・プッシュプル) | CSPP(クロスシャント・プッシュプル) | ||
| よく使われる回路 | 普通のプッシュプルトランス式出力回路 | SEPP-OTL出力回路 | ||
| プッシュプル信号の合成方法 | 直列加算 | 並列加算 | ||
| トランスによる磁気結合 | 出力管を互いに直流または交流接続 | |||
| トランスの1次卷線 | センタータップ・プッシュプル | シングル | ||
| A級動作:全部使う | B級動作:半分使い半分遊休 | A級動作:全部使う | B級動作:全部使う | |
| スイッチング・トランジェント歪 | A級動作:無 し | B級動作:有 り | A級動作:無 し | B級動作:無 し |
出力トランスを使ったCSPP回路が普及しない理由は何故だろう。
カソードが信号電圧でアースから浮くため、ヒーター・カソード間耐圧をクリアするには各々の出力管に独立したヒーター卷線を要するとか、ドライブ段の電圧振幅が大きく必要になるとか、いやもっと次元の低い理由で、手本になる簡単な回路が少ないからとか、今は高級な容姿のDEPP用出力トランスに目を奪われて、そのためにアンプを作らされているだけなのかも知れない。
更新記録
2003/06/16 初版掲載
2003/07/05 図14以降加筆
2003/09/14 CSPPのDEPPに対する優位性
2003/09/19 CSPPのDEPPに対する優位性加筆