
![]() |
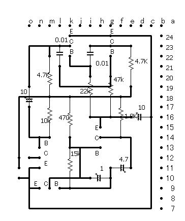
基盤に部品を装着する場所を決めています。 配置図は銅箔面から見ていますので、部品取り付け面は左右が逆になりますから確認の際は気をつけてください。 穴あき基盤には左のように番号とアルファベットが書いてありますのでその交点の穴を重ね合わせた生基板に開けます。 配置図をそばにおいて作業をしてください。 穴を開けるところは k24 g24 l23 k23 i23 g23 e23 m22 k22 g22 l21 i21 i20 g20 o19 e19 m18 k18 f18 o17 i16 g16 e16 c16 h15 n14 m14 k14 h14 f14 n13 k13 h13 p12 o12 n12 p11 n11 g11 e11 p10 i10 g10 n9 m9 l9 k9 以上です。 若干少ないかも? 配線図と見比べて見てくださいね。 この作業が大変邪魔くさいところです。 製作については基盤製作を参照願います。 |
![]() |
|