
デジタル回路実験用バルス発生器
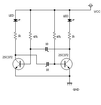
はじめに:最初にこれを取り上げる理由はこれからデジタル回路の実験をしていくにあたりパルスを生成する回路が必要だからです。ここでは2個のトランジスターを使って無安定形マルチバイブレータとしています。 回路動作: 回路が働こうとする時、二つのトランジスター回路の1kΩ → 10μF→ 相手のベースへと電流が流れ、10μFが充電されます。このとき、2つのトランジスターはONになるのですが、特性の違いにより先にどちらかのトランジスターのベースの充電電位がマイナスになるためOFF状態に反転します。ONしたままのトランジスタのコレクターは0電位ですからオフ側の1kΩから10μFを充電するのでON側のベース電位がマイナスになるため、OFF状態に反転します。以後、この動作を繰り返します。 パルスの取り出し: どちらかのコレクターから出力線を出してコンデンサーで結合するか、バッファーを設けて出力としても良いと思いますが実験ではコンデンサーで結合していきます。 |
![]() | ||||||||
| 製作: 回路が簡単なのですぐに作れます。ただ、デシダル回路の実験用にしたかったので目で追えるようにパルスの周期を遅くしてあります。(オシロスコープが欲しいで〜す。)LEDは動作確認用で交互にピカピカ光りますからウインカーとしても使えますね。基板は蛇の目を使用しましたが自分で専用基板を作るのも勉強には良いと思います。 2SC372は他の大抵の汎用小型トランジスター(2SC)で間にあいます。 定数は私の好みに合わせていますので47kΩと10μFは適当に替えると良いかと思います。47kΩは極端に小さい値には出来ません。この47kΩと10μFで周期が大体決まります。抵抗が小、容量が小だと早い周期になり抵抗が大、容量が大なら遅い周期になります。 | |||||||||
| |||||||||