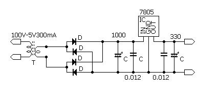
ACアダプター 回路図

注意: この回路には安全の為のヒューズや電源スイッチなどが入っていませんので付け足してください。
         このままの回路で制作された場合、入れ忘れによる発熱や火災等が万一発生する可能性があります。
         付け足しされない場合は自己責任で管理してください。また電気器具取締り関連の法に接触しますので
         自己使用以外はこの回路での制作はしないで下さい。くどいようですが責任は持てませんので。
   

仕様 100Vの家庭用電源から5V300mAを出力するもの
応用 5V以外のものにしたい場合は3端子レギュレーターを違う電圧電流に変更してトランスを希望の電圧のものと変え、
    コンデンサー類の耐圧も変更してください。

部品表
記号 部品名 仕様・型番 数量 購入価格 入手先 備考
T 電源トランス 100V-5V300mA 1 150円 デジット 300mAでなくても構いません。2次側は5Vですが無負荷で9Vくらい出ますので7805のINで9V程度です。
D 整流ダイオード IS1888 4 40円 キョウリツ 単価10円です。1A程度流せるダイオードならどんなものでも構いません。4本は同じものを使用して下さい
IC 3端子レギュレーター 7805 1A 1 50円 オークション 100個買いました。OUT(出力)がプラスのものとマイナスのもの、取り出せる電流によって大きさが違いますので注意が必要です
C 電解コンデンサー 1000μF 1 30円 デジット 10本単位で売っていました。耐圧は25V程度必要です。耐圧が高くても問題ありませんが形状は当然大きくなります。耐圧の低いものは絶対使用してはいけません。破裂の恐れがあります
C 電解コンデンサー 330μF 1 30円 デジット 10本単位で売っていました。耐圧は25V程度必要です。7805が短絡した場合の対応です。この電解コンデンサーがなくても動作します。気休め程度につけています。
C コンデンサー 0.012μF 2 20円 不明
(日本橋)
単価10円です。0.01μFから0.1μF程度のもので手持ちのものを使用して下さい。この部品を省くと7805の動作が不安定になる恐れがあります
- 基板 - 1 30円 不明
(日本橋)
お店の名前を忘れました。サンハヤトのIC-88と同一サイズですのでリッチな方はこの基板(100円くらい)を通販でお求め下さい
- ACコード - 1 140円 デジット 黒いコードで先に差込のついたものを買いました。これ以上安いのを塚口勇商店で昔買いましたが今はこれくらいしか手に入りませんでした。
- 9V電池用スナップ - 1 30円 デジット 10本買いました。考えたらこれを使用した機器を制作するので20本は買わないと。
- ケース - 1 33円 100円ショップ 3個で100円で売っています。出来るだけコンパクトのほうが可愛いのでぎりぎりの大きさですが気にしなければ大きなもののほうが作りやすいでしょう。
- その他 - 1 - ホームセンター 半田とか線とかビスナット(3mm)等が必要です。
 

戻る