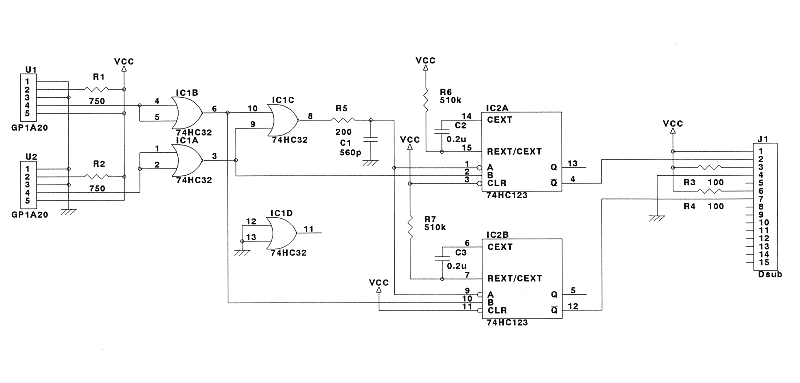
回路について


R1、R2でフォトインタラプタ内のLEDに流す電流を決めます。
(Vf=2Vくらいなので、750オームでは、4mAです。)
C1とR5で波形をなまらせて、遅延しています。
C2とR6、C3とR7の値で出力パルス幅が決まります。
R3とR4は、ないとジョイスティックとして認識されません。
0オーム(ショート)でもいいかもしれませんが、とりあえず100オームをつけました。



Back