IRオートライト(2002)
最近、人が近づくとライトが点灯するといったこのような赤外線検出ライトをよく見かける。
玄関や廊下において、帰宅時や夜中に起きた時などに自動点灯し足元を照らしてくれる便利グッズである。
これはこれで便利であるが、点灯するのは内蔵されたライトであり、何か他の照明器具を自動点灯するといった芸当は当然のことながらできない。
例えば洗面所やキッチンのライトが、近づけば点灯して離れれば消灯するようになっていればいちいちスイッチをONOFFする必要がなくなるので、とても便利であろう。
これを実現する手段がある。
秋月電子の赤外線検出キットである。

これを使うとライトではなく、リレーをONOFFできるので、リレーの接点に照明器具のスイッチを接続すれば前述の用途に利用できる。(注意!100Vを制御するので、感電やショートの危険あり。それなりに知識が必要です。)
ところでこのキットの回路では、赤外線を検出してリレーを働かせるのにタイマーICを使用している。赤外線センサーの変化をコンパレータで検出し、その出力でタイマーICを起動する。
するとタイマーICの出力が一定時間Highになり、それによってリレーがONするといったしくみである。
ところがこの回路では少しばかり都合が悪い。
タイマーICの出力がいったんHighになると、その間に入力された検出信号は無効になってしまい、次に有効になるのは、出力がLoにもどった後である。(下図)
つまり、人が近づいてライトが点灯しても、一定時間がたつと必ず消えてしまい、またすぐ点灯するといった動作になってしまう。
近くにいる時には、常に点灯したままになってほしいのである。
最初に紹介した赤外線検出ライトも同じような動作をする。おそらく回路が同じなのだろう。

人が近くにいればずっとライトが点灯しているような動作にするには、リレーがONしている間も検出信号を有効にして、そこからまた一定時間ONになるようにすればよい。
(実際のところこのキットでは変化を検出しているので、人が近くにいてもじっとしていれば継続はされないがそれはよしとしよう。)

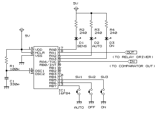
これをPIC16F84で実現しよう。
マイコンなど使わなくてもできそうだが、動作はプログラムで融通が利くので、その他にも付加機能が付けられる。
というわけで次の機能も搭載しよう。
1.赤外線検出とは関係なくライトを点灯しておくことができる。
2.赤外線検出とは関係なくライトを消灯しておくことができる。
3.ライト消灯設定時、時間経過で自動的に赤外線検出に移行する。
1は人がそばにいなくても点灯しておきたい場合、2は周辺の他の照明を使っているため、点灯する必要がない場合、3はOFF設定のもどし忘れで自動点灯しなくなるのを防止するために必要である。この製作では1時間経過で移行するようにした。
一方、キットの回路には明るさを検出して明るい時は動作させない機能があるが、
実際の使用環境では、全く動作しない方がいいというほど明るい状況というのは
起こり得ないため、この機能はあえてはずした。
回路図
追加回路図は、

製作
ユニバーサル基板に追加回路を製作し、タイマIC部分と置き換えるようにキットに接続する。
また100Vを制御するので、リレーをキットから別実装にする。

製作した様子。
|

ケースに収めた状態。
|

動作の様子。キッチンのライトに接続。
|
キッチンでは、手が濡れていることが多いので、自動的にライトが点灯するととても便利だし、夜中にノドが乾いて水を飲もうとした時など、手さぐりせずすむのである。
余談であるが、当初ケースは透明で、実装まる見えのいかにも電子工作キットだったのであるが、キッチンのフンイキを壊さない見栄えにしてくれというおくさんの要望により、白く着色したワケであった。
展示ルームへ