|
夜留守にしがちなので、タイマで部屋の照明を自動的にON/OFFして防犯に役立てようと思い立ちました。 さて、タイマでON/OFFする装置は、このようなものが売られています。 希望する時刻のところにタップを差し込めば、毎日その時刻にON/OFFできます。 ところが、これでは通常のソケットを持つ電化製品しか使えません。 シーリングライト(天井灯)のような引っ掛け式のソケットでは利用することができません。 無理に使うとすると、ソケット変換をしてこのタイマを天井に取りつけるか、天井のソケットは使わずに 通常のコンセントから配線を延ばしてライトに接続するしかありません。 どちらもスマートではありません。何かいい方法は・・・・ |
|
|
ところで私の住んでいるアパートは、シーリングライトのスイッチがありません。従って、照明のON/OFFは照明器具自体のスイッチで行う必要があります。 最近はリモコン付の照明器具もありますが、ついてない場合は、このようなシーリングライト用リモコンユニットが便利です。 リモコンでON/OFFできるスイッチを天井ソケットとライトの間に挟み込むこむわけです。 そこで、このリモコンユニットを利用することにしました。リモコンのボタンをタイマで押せばいいのです。 |
|
![]() 赤外線リモコンでON/OFFするリモコンユニット |
![]() 天井ソケットとライトの間に挟み込むこむ |
|
ハードウェアの製作 |
|||||||||||||||||
|
タイマ装置には、トライステート社の簡易PICシーケンサ(EPS)を利用しました。
これはシンプルな4chのシーケンサで、各chのON/OFFを自由にタイマ動作させることができます。 このうち2chを使い、それぞれリモコンのONスイッチとOFFスイッチに接続することにしました。 次にこのEPSとリモコンの接続です。 まず、リモコンを分解してみました。 電源はリチウム電池(3V)です。 ボタンの接点は全て一つのICに接続されているようです。 |
|||||||||||||||||
![]() リモコンの内部 |
![]() はて?どうなっているのでしょ? |
||||||||||||||||
|
接点の片側が、電源かグラウンドに接続されていればインターフェースは楽なのですが、そうなっていません。 電圧を測ってみると、 |
|||||||||||||||||
|
|||||||||||||||||
|
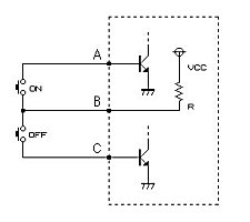
3Vは電源電圧、0.7Vといえばあれかな? とすればこんな回路でしょうか・・・ |
|||||||||||||||||
|
|||||||||||||||||
|
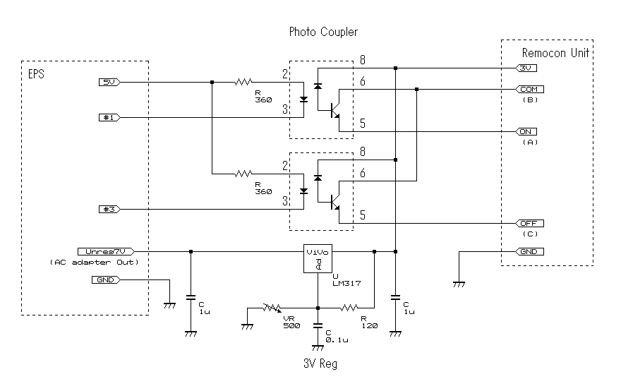
これで電流の向きがわかったので、EPSとリモコンはフォトカプラで接続することにしました。 それから、EPSの電源にACアダプタを使用するので、どうせならリモコンの電源もここから供給することにしました。 回路図を示します。 |
|||||||||||||||||
| で、完成したのがこれです。 | |||||||||||||||||
![]() 上から見たところ |
![]() ボードは2段構造になっている |
||||||||||||||||
|
ソフトウェアの製作 |
||||||||||||
|
EPSの時間設定ですが、コンピュータとシリアルポート経由で接続し、専用ソフトで設定するようになっています。 動作はEPSのスタートSWを押した時点から始まります。 開始時間(スイッチするまでの時間)、キープ時間(スイッチの状態を持続する時間)、 再開始時間(その後の待機時間)をそれぞれ設定します。 |
||||||||||||
|
||||||||||||
|
再開始時間まで終了すると、また最初からシーケンスを繰り返します。 今回のように毎日同じ時刻に動作させるには、この3つの時間の合計が24時間となるように設定するわけです。 ところで、EPSが時計を持っているわけではないので、今回のようにある決まった時刻に動作させようと する場合、設定する時間は現在時刻に依存することになります。 例えば、22:00にON、0:00にOFF という設定にしたい場合、現在が20:00ならば、
となるわけです。これをいちいち計算するのでは面倒です。 そこで、現在時刻と設定時刻から設定時間を計算するこのタイマ専用の設定アプリケーションを作りました。 実は取説に転送フォーマットが説明されていたのですが、これが間違っていたために完成までにだいぶかかってしまいました。 開発言語はDelphi3です。 |
||||||||||||
|
|
使用感 |
|
実際に使ってみると、とても便利です。 帰宅した時に照明がついているとラクですし、消し忘れて寝てしまってもタイマが消してくれます。 リモコン単体を別に用意すれば(以前はリモコンだけ別売されていた。)、このタイマの動作とは関係なく照明をON/OFFできます。 もちろん、このタイマのリモコンを手で押してもON/OFFできます。 このタイマの欠点は、いったん電源を切ってしまうと再設定しなくてはならないことと、設定する場所(コンピュータのある場所)と 使用する場所(照明のある場所)が離れている場合、設定操作がちょっとわずらわしいことです。 とはいえ、それもバッテリバックアップすれば済む話ですが。 製作段階では、やはり時刻で動くものはリアルタイムクロックを使って作った方が作りやすいと感じました。 EPSは秋月電子で取り扱っています。 |