
電子オルゴール(SM6201シリーズ)
| 秋月電子通商の通販でSM6201を入手しました。そこで参考資料を基に実際に製作してみました。このICは型番の後に番号が書いてあってその番号で書き込まれている曲目が違うようです。秋月ではSM6201-2とSM-6201-4をセットで販売していましたので下記のようにそれぞれ1つずつ製作してみました。実際に作った配線図及びパターン図もこのページの下にあわせて紹介しています。ぜひ、あなたも挑戦してください。(2008年3月) | ||||
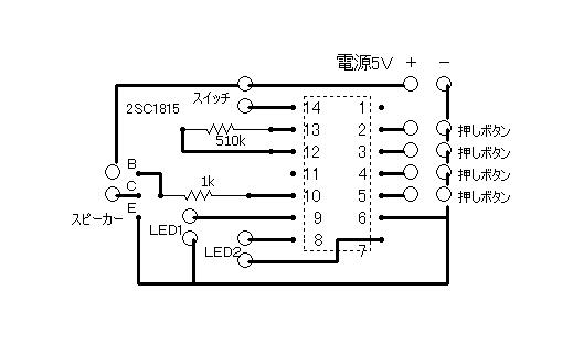
| 下記はSM6201-4のICを使った作品です。曲目は1.Jingle Bell 2.We Wish You a Merry Christmas 3.Santa Claus is Comig To Town です。こちらは先に製作したので基板テストの目的でタクトスイッチをつけています。作品の外観の左上にスナップスイッチがつけてあります。このスイッチを入れておくと押しボタンに関係なく三曲を順にエンドレスで鳴らします。スイッチを切ると演奏中の曲が終わると停止します。隣の三個の押しボタンはスナップスイッチを切っているときに押しますと押されたスイッチの曲だけが一曲なって停止します。緑のLEDは演奏中点灯していて演奏終了とともに消灯します。水色(実際は青色)のLEDは曲の演奏にあわせて点滅します。 | ||||
| 下記はSM6201-2のICを使った作品です。曲目は1.ゆりかごの歌 2.ブラームスの子守唄 3.ロッカビイバビーです。こちらは後から製作したので右の作品と違って基盤上の押しボタンは省いています。部品が4点しかないので寂しい基板ですがそのぶん配線がいっぱいです。下の配線図どおりに製作して下さいね。製作した作品の外観の左上はスナップスイッチがつけてあります。このスイッチを入れておくと押しボタンに関係なく三曲を順にエンドレスで鳴らします。スイッチを切ると演奏中の曲が終わって停止します。隣の三個の押しボタンはスナップスイッチを切っているときに押しますと押されたスイッチの曲だけが一曲なって停止します。赤のLEDは演奏中点灯していて演奏終了とともに消灯します。水色(実際は青色)のLEDは曲の演奏にあわせて点滅します。 | ||||
| ||||
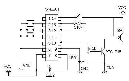
| SM6201と言うICは14ピンのICでメロディーが三曲入っています。2.3.4のスイッチが選択スイッチで各曲を単独で鳴らします。14ピンのスイッチはこれを入れておくことにより曲を順にエンドレスで鳴らします。12.13ピンで基本の音程が決まりますのでこの抵抗値を変えると曲のトーンも変わります。基本図から変更した場所は1番ピンの接続を廃止しました。あわせて5番ピンもつないでいません。この2つの端子で強制停止するのですが必要ないのでつけていません。11番は無接続端子で何もつながなくてかまいません。トランジスター2SC1815は汎用の2SCタイプのものだったら大抵間にあいます。手持ちのものを使っただけですよ。音が割れるので10ピンに音量調整の半固定のボリュームをつけました。半固定ボリュームは調整の仕方次第ではICのOUT端子10ピンとベース入力が直結してしまいますので調整前に抵抗値の中間程度からはじめましょう。配線が多いので誤配線に注意してくださいね。作品の音の感想ですが単調な高音のオルゴール音ではなくて深みのある良い感じです。スピーカーをある程度大きくしているからかそれとも和音 が入っているからかも。 | ||||