
ボイスレコーダー(電子録音機(^^)配線図・パターン図つき)
配線図とパターン図はこのページ下にあります。
| APR9301V2(資料)と言う録音が出来るICを買いました。「イーエレ」と言うネットで電子部品を販売しているお店です。大昔にこの手のものを製作したことはありましたが、実用にならないくらい音質が悪かったのでたいして期待はしていなかったのです。 ところがこのICを使って製作してみると随分明瞭な音で録音出来ることがわかって大変満足しています。1個280円でしたがもうあまり在庫がなかったので売り切れているかも。 このレコーダーはICピンの6-7間の抵抗を変えることによりサンプリング周波数がかわりますので音質をもっと良くすることが出来ます。(当然録音時間は減ります) このICの最大の特徴は電源を切っても録音内容を記憶している凄さにあります。電源を入れて録音状態にしない限り何回も再生可能ですよ | |||||||||||||||||||||||||||||||||||||
| 左上の写真がICレコーダーの全容です。100円ショップの容器を使用しています。黒のボタンは再生ボタンで押して離すと再生を開始します。黄色のボタンは録音ポタンで押したまま右すみのマイクに向かってしゃべりますと録音されます。録音可能時間は右上の黄色のLEDが点灯している間だけですよ。 左下の写真は基板と電池です。動作電圧が4.5Vから6.5Vですので乾電池が4個入るホルダーを入れました。パーツも10点ばかりでICの足もこの穴あき基板のサイズなので組み立てやすいと思います。 音がちいさいように思われたらLM386などのアンプをつけるとボリュムが必要なくらい大きな再生音になります。左の写真はスイッチやスピーカー廻りの配線です。グルーを使ってスピーカーなどを固定しています。 | |||||||||||||||||||||||||||||||||||||
部品表
| |||||||||||||||||||||||||||||||||||||
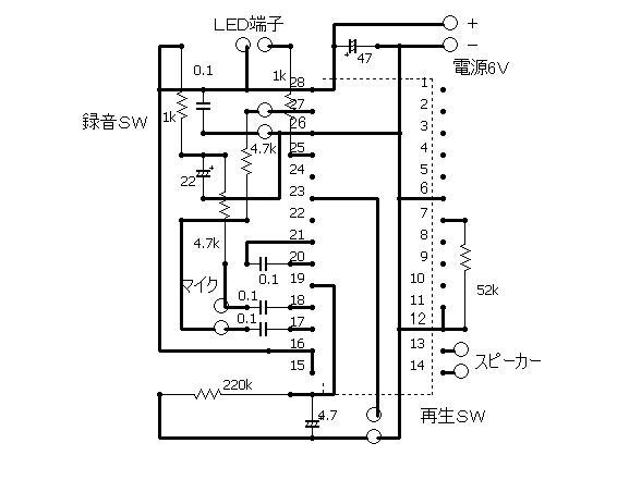
配線図![]() | |||||||||||||||||||||||||||||||||||||
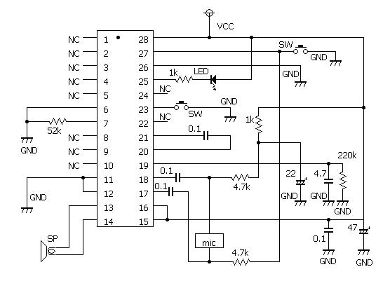
![]() | |||||||||||||||||||||||||||||||||||||