ワイヤレス           マイク

回路図と基板図は下の方にありますから見落とさないでスクロールさせてね。
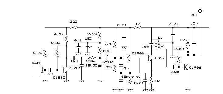
オールトランジスターでFMのワイヤレスマイクを製作してみました。試作品なので穴あき基板を使用しています。製品版はもちろん専用基板がついてきます。
回路は4本のトランジスターで構成されています。
FMの場合、変調にはたいした電力は必要ないのでアンプ1段で済ませています。段間にFCZコイルを使っています。このFCZというのは考案者のコールサインなんだそうですね。寺子屋シリーズなどを出されていたと記憶してます。このワイヤレスマイクは微弱な電波しか出していないので送信側と受信側とが同調をうまく取らないと極端に到達距離が落ちます実験では見通しの良いところで100mは充分実用になりました
この作品を作るのに要する時間はせいぜい2〜3時間です。ICとはまた違ったトランジスターの足の位置関係を間違わないようにして下さい。

きちっとしたケースに入れたほうが安定します。ここに書いてあるトランジスターでなくても同等品で充分ですが終段のトランジスターはパワーの出るものは控えて下さい。
使用部品 数量 使用部品 数量
TR 2SC1815 コンデンサーマイク(ECM)
TR 2SC1906 3 FCZコイル 80MZ 1
LED 電解コンデンサー47μF 2
抵抗 1/4w 1kΩ 2 1SV50(バリキャップ) 1
抵抗 1/4w 470kΩ 1 コンデンサー 68pF 1
抵抗 1/4w 4.7kΩ 2 コンデンサー 0.01μF 3
抵抗 1/4w 2.2kΩ 2 電解コンデンサー 0.1μF 3
抵抗 1/4w 100Ω 1 コンデンサー 15pF 1
抵抗 1/4w 100kΩ 2 コンデンサー 10pF 1
抵抗 1/4w10Ω 1 コンデンサー 47pF 1
抵抗 1/4w 220Ω 1 銅線 0.2Φ 50cm 1
水晶 12MHZ台 1 基板その他 1
組み立ての手順としてどんな電子機器でもそうですが、小型のものからとりつけて下さい。水晶はオーバートーン型でFM帯に波が出るようにね。周波数は送信周波数で決めてね。

熱に比較的弱いもの(半導体など)は最後にします。隣のパターンなどとくっつかないように半田付けは気をつけましよう。

バリキャップで変調させます。
ここにかかる音声電圧で周波数が変わるので周波数変調がかかるのですよ。
向きのあるものや極性(プラスとかマイナスとか かかる電圧の高低)に注意して取り付けて下さい。
電解コンデンサーは回路図にありませんが回路安定の為に電源とアース間に入れて下さい。耐圧は50Vあれば充分ですよ。
コイルは自作します。普通の鉛筆を用意して10回程度巻きます。巻き終わったら鉛筆を取り出し高周波用のニスなどをぬっておきましょう。セメダインなんかでも良いですよ。固定できたら良いんです。
そんなに性能を気にするものじゃないです
から。ワハハハ。

くれぐれも高出力にならないように気を付
けて下さいね。
調整はただ一点必要な周波数になるようにFCZコイルのコアを廻すのみ。FMラジオを用意してこの電波が受かるようにして下さい。回路図どおりに作れば間違いなく送信できますよ。右端の何も書いてない線は電源(+6V)です。
回路説明 FMラジオは76MHZ〜92MHZあたりが受信できるようになっていますのでこのあたりにFM変調波を送信すれば受信
出来るはずです。そこで発振に2SC1906(手持ちで周波数特性の良さそうなのを選びましたので特性が似ていれば何でも可)
で発振回路をカスケードにつないで振幅と変調の深さを稼いでいます。この回路はコルピッツ発振回路の変形で基本的には原理図
と変わらないのです。原理的にはバリキャップは音声振幅が入ると電圧が変化するので容量変化して発振回路の基本周波数を
変動させますので周波数が音声信号につれて変化します。つまり周波数変調がかかるわけです。12MHZ帯の高調波を利用しま
すので仮に80MHZで送信するのであれば13.33MHZの水晶で6倍、80MHZ近くを送信する事が出来ます。
L1ではこの高調波を送信周波数に共振(同調)させて次の出力トランジスターで基本的な送信周波数とします。L2で同調をしっかり
とればもっと出力を増やす事は可能ですが電波法に接触しますのであえてラフな形で制作してあります。80MHZ付近で同調出来れ
ば良いので自作のコイルです。(鉛筆を利用して銅線をくるくると巻いておしまい)最後に基板図もサービスでつけちゃいます。m(_ _)m

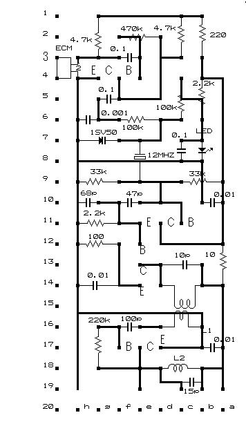
基板図です。穴あき基板にこのように取り付けて下さい。

ただし裏から見た図なので間違えないようにしてくださいね。もう少し横幅を広げると部品が楽につけられます。

そうそう忘れてました(^^;LEDが付いていますがこれは何の為だと思います?答えは電源の安定回路(^^)です。
バリキャップにかかる電圧が変動しては製品品質に関わるのでここで安定化してるのです。

へ?そんなので安定するの?との疑問もあるでしょうがLEDに電圧を加えますと電気が流れて点灯しますよね。電圧が高くなれば明るくなり下がれば暗くなるつまりLEDのアノード側の点は一定の電圧に保たれます。
2.2kと100kの分圧比でバリキャップにかかる電圧は非常に安定して基本周波数変動の少ない良いワイヤレスマイクだと言えます。

出力トランジスターがついていますがこれはパワーをかせぐのが目的ではなくて不要な高調波がでにくいようにしています。
発振が12MHZ帯でその高調波はたくさん出ます。L1,L2で不要な高調波を減衰させることが出来ますのでこの点でも優れています。

マイクは2ピンタイプと3ピンタイプとありますが3ピンタイプなら基板図の縦2.3.4と挿入して2は3と結線するだけで良いですが気に入らんと言う人は1のラインから2のマイクの足と結線すればマイクの出力が増します。

基板図をつけたので空白の部分にいろいろ書きましたが最後に作ってみたけどうまく動作しないからなおしてとか部品を譲ってとかのご期待には沿えませんのでお許し下さいませ。

この回路で実際に2台作りそれなりに動作していますことを報告します。万一回路図や基板図に間違いがありましても責任はとれませんのでお許し願います。

back