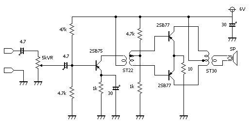
IC全盛の時代に何も好き好んでトランジスターを使用してミニアンプを製作してみました。もっともポピュラーで基本中の基本といった回路構成となっています。

このアンプの特徴は段間や出力にトランスを使用して忠実な音の再生が可能だという事です。ミニアンプと言う位ですから出力は500mw程度です。通常売られているポータブルラジオの出力が200〜300mwですので音量としてはそんなに変わりません。

用途としてはピックアップセンサーをつけて電話の音を大きくする。イヤホーン式のラジオのアンプとして使う。プレーヤーなどの外部出力につないでアンプとして使用する等考えられますが他にもいろいろ考えてみて下さいね。
部 品 表
品名 数量 品名 数量
Tr 2CB75 スピーカー
Tr 2SB77 電池ケース
ST22 ST32
抵抗 1/4w 10Ω 抵抗 1/4w 47kΩ 1
抵抗 1/4w 1kΩ 2 抵抗 1/4w 4.7kΩ 1
電解 30μ15WV 2 電解 5μ6WV 2
5kボリューム 1 その他 若干
基板に指定部品を差込み半田付けをすれば無調整でアンプの出来上がりです。
トランジスターの足は間違え易いので注意して下さい。このころのトランジスターは真ん中の足がベースです。
最近の汎用トランジスターは真ん中がコレクターですよね

今時PNPトランジスターでのアンプは何のメリットも無いかも知れませんが古いものを大切にしましよう。(^0^)
(ジャンク箱に眠らせていただけですけど)

音量は期待できないのでボリュームは省いても良いかも知れませんがあれば便利なのでつけました。

トランスの入手が難しいかも知れませんね。m(_ _)m

back