MC秋田(Marine Creatures海棲秋田)の水槽仲間の佐藤ご夫妻のメインタンクです。佐藤さんは錦鯉→ディスカス→海水魚、無脊椎飼育とアクアリウムの王道を歩んでこられました。今も屋内に地下水をひいた錦鯉池を持ち、その水で2つの海水水槽を冷却しています。家の床暖房は御自身で作られたという素人離れした佐藤さんですので、この冷却システムも当然自作です。上の写真は、96年11月からリーフシステムに移行した無脊椎水槽です。ミドリイシ、シャコガイの色で分かるようにただいま絶好調の水槽です。
 魚水槽は大型ヤッコの混泳水槽で、中でもルネイトエンドが長く伸びたアズファーは、この種で秋田一ベッピンの魚となっています。
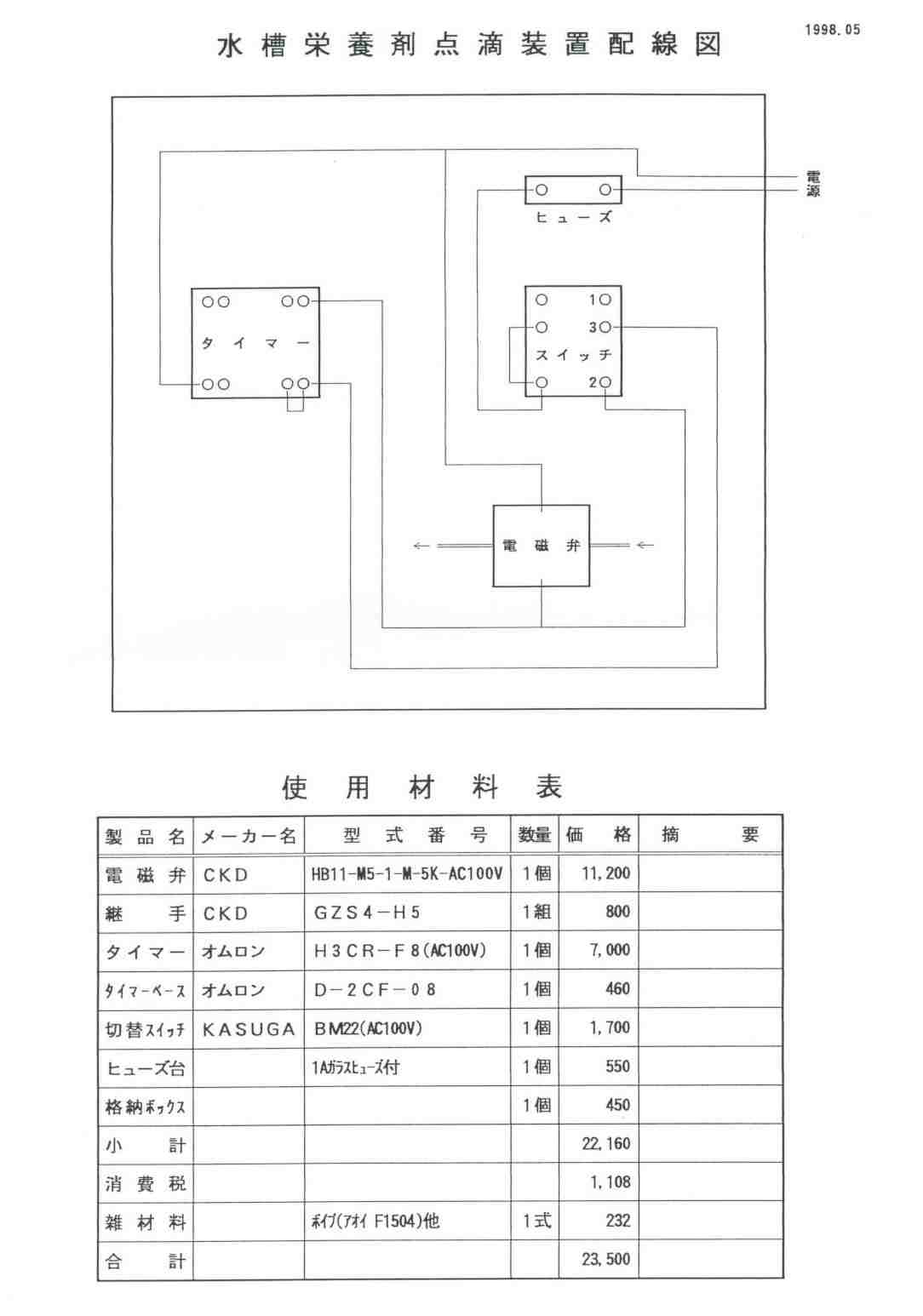
 電気、配管、木工何でもござれの佐藤さんですので、水槽台、照明カバーも自作で、全ての水槽機器がすっきりとコンパクトに収まっているのも美しさの一つです。今回、自作点滴装置の電磁弁の配線図を書いていただきました。

 

 


 

 点滴回路用電磁弁