ソリッドステート・サーキット・ブレーカー
MOS-FETをスイッチと電流検出に使い、過大電流になると電流を遮断する回路を考えた。
なぜこんな回路を考えたかといえば、お恥ずかしい話だが、またもやSITを飛ばしてしまったからだ。
必要に迫られて、必要は発明の母の言葉通りの賜物だ。
電流検出は負荷をスイッチするパワーMOS-FETのドレイン・ソース間のオン抵抗を使う。
このアイデアはD級アンプやスイッチング電源のICから拝借したが、ICの回路が実際どうなっているかは知らないので、そこは自分で考える必要があった。
下図が私の考えた回路だ。

動作に必要な電源にはフォトボルを使用しているため、絶縁フローティング状態で、回路のどのような部分にも挿入できる点が便利だ。
フォトボル(TLP590B)は2つ使う、下側のフォトボルのフォトダイオード側に発生する電圧(約9V)を、負荷をスイッチするパワーMOS-FET(2SK1382)のゲート・ソース間に与えて、ドレイン・ソース間をオン状態にする。
パワーMOS-FETのドレイン・ソース間に発生する電圧は、オン抵抗と負荷の電流の積である。
上側のフォトボルのフォトダイオード側に発生する電圧(約9V)は1MΩを通して定電流化する。
フォトダイオード側に発生する電流はLED側の電流に影響されるが、電圧はフォトダイオードの順方向電圧に制限されて一定しているからだ。
2つあるMOS-FET(2SK1825)の内、下側のMOS-FETはドレイン・ソースでパワーMOS-FETのゲート・ソース間を短絡してオフするためのものだ。
上側のMOS-FETは、パワーMOS-FETのドレイン・ソース間に発生する電圧に直流レベルシフトを与える。
その直流レベルシフト電圧は50kΩ可変抵抗で調整できる。
直流レベルシフト電圧は1MΩを通して定電流化した電流と50kΩ可変抵抗の積を上側のMOS-FETのゲート・ソース間電圧から引いた値である。
下側のMOS-FETのゲート・ソース間に与えられる電圧は、直流レベルシフト電圧と、パワーMOS-FETのドレイン・ソース間に発生する電圧と、それに1MΩを通して定電流化した電流と10kΩの積の3つの電圧を加算した値だ。
上側のMOS-FETと下側のMOS-FETが同じ特性なので、下側のMOS-FETのゲート・ソース間電圧が上側のMOS-FETのゲート・ソース間電圧と同じかそれ以上になれば、下側のMOS-FETのドレイン電流が上側のMOS-FETのドレイン電流と同じかそれ以上になり、パワーMOS-FETのゲート・ソース間電圧が低下して、パワーMOS-FETのオン抵抗が増加して、更に下側のMOS-FETのゲート・ソース間電圧が上昇してパワーMOS-FETのゲート・ソース間電圧が低下してターンオフする。
パワーMOS-FETがターンオフするとドレイン・ソース間には負荷の電源電圧が発生し、その電圧が10kΩを通してトリップインジケータのLEDを点灯させる。
下側のMOS-FETのゲート・ソース間に与えられるパワーMOS-FETのドレイン・ソース間に発生する電圧を、トリップインジケータのLEDの順方向電圧が制限する。
ターンオフ状態から復帰するには、負荷の電源を切ってパワーMOS-FETのドレイン・ソース間電圧を下げる必要がある。
電源投入時は負荷の電源より先に、フォトボルのLEDに通電してパワーMOS-FETをオン状態にしておく必要がある。
拡張性や汎用性や安定性を高めて、実用レベルの雛形ができた。



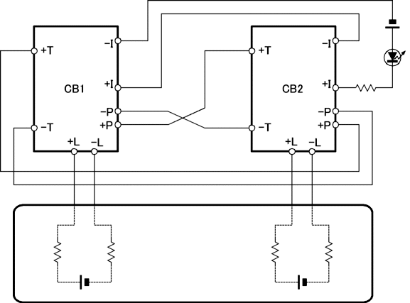
+T/−T : トリップ出力
+P/−P : インターロック入力
+I/−I : フォトボルLED電流入力
+L/-L : ロードスイッチ
動作テスト
下図のように商用交流電源(60Hz)をスライダックで可変して、EIコアの絶縁トランスを介して、ダイオードで半波整流した電圧を、1Ωの抵抗を通してロードスイッチに接続した。
トリップ電流は1Ωに発生する電圧をオシロスコープで観て割り出す。

| 上:1Ωの電圧 5V/div 下:ロードスイッチの電圧 0.2V/div 1ms/div ![]() |
1Ωの電圧 5V/div 0.5ms/div![]() |
左の写真から、1Ωの電圧が10V(Id=10A)の時のロードスイッチの電圧が約0.4Vだから、オン抵抗は40mΩ程度と判断できる。
右の写真はId=20Aでトリップしている状態のオシロ波形。
VR200kΩでトリップ電流を8Aから35A程度まで設定できる。
アプリケーション
2つをリンクする例、トリップ出力(T)とインターロック入力(P)をたすき掛けに接続することで、片方が切れると両方とも切れる。

| Evolve power amplifiers | Contents | Data sheets | Notes | Links | Mail to | Back to top |