* オルタネーターの品番と仕様
 
 デンソー製品番  101211-9760 又は 102211-1040
 仕様

spec1
spec2



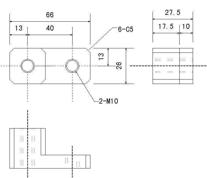
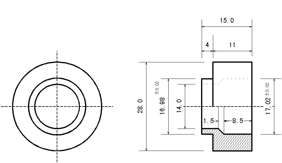
  * スペーサー図面

spacer1


spacer2


spacer3


オルタネーターの国産化(1)